CAD基本操作
要求
图层
计算机辅助设计CAD(Computer Aided Design)
| 图层 | 层名 | 线型 | 线宽 |
|---|---|---|---|
| 图层1 | 粗实线 | continuous | 0.5mm |
| 图层2 | 细实线 | continuous | 默认(0.25mm) |
| 图层3 | 点画线 | CENTER2 | 默认 |
| 图层4 | 虚线 | HIDDEN | 默认 |
| 图层5 | 尺寸 | continuous | 默认 |
Defpoints图层和0图层一样是CAD默认的图层,只是一个临时性的空间,执行了标注之类的命令就会出现,且该图层无法被打印
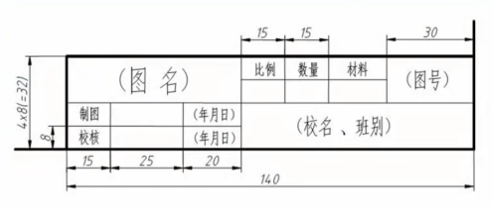
标题栏

图名10号字,图号,校名班级7号字,其余5号字
国家标准标题栏

材料代号、单位名称、图样名称、图样代号7号字,其余5号字
更改文件号用单行文字,特性里宽度因子改为0.8
图框
国标解读
GB/T14689-2008:GB表示国标,T表示推荐,14689表示图纸幅面和图纸格式的国标号,2008表示颁布或修订的年代号
基本幅面和图框格式

尺寸设置
- 文字样式
- 新建文字样式GB
- 设置字体名gbeitc.shx
- 勾选大字体,选择gbcbig.shx
- 标注样式(尺寸样式)
- 新建标注样式GB
- 线:
- 超出尺寸线 2
- 起点偏移量 0
- 符号和箭头:箭头大小 3.5
- 文字:
- 文字样式GB
- 文字高度3.5
- 调整:勾选手动放置文字
- 主单位:小数分隔符改为句点
- 新建GB基础样式下的子样式
- 角度
- 文字对齐改为水平
- 垂直改为居中
- 半径、直径
- 文字样式ISO标准
- 调整改为文字
- 角度
后缀说明
文件扩展名是.
dwg(Drawing),用于存储二维和三维图形数据的主要文件格式。.dwl(Drawing Lock)文件,是CAD生成的临时文件,当打开一个.dwg文件进行编辑时,DWL文件用于锁定原始的DWG文件,防止其他用户同时进行编辑,关闭DWG文件时自动删除,同时解锁DWG文件。DWL文件的存在是为了确保在多用户环境中对DWG文件的安全编辑和共享.bak文件是备份文件的常见扩展名,表示原始文件的备份副本,也是一种临时文件,在选项中可以设置不生成.bak文件。如果不小心删除了原始dwg文件,可以使用bak文件进行复原,修改后缀名即可.dwt文件,是一种模板文件,包含了图层配置,标注样式等设置,不包含实际的绘图数据,可以提高效率。模板文件保存在C:\Users\Admin\AppData\Local\Autodesk\AutoCAD 2023\R24.2\chs\Template目录下
快捷键
- 启用多行文字:
ddedit - 倾斜标注:
dimedit
效果:
图像绘制
- 直线Line:
L - 圆Circle:
c - 圆弧ARC:
a - 椭圆Ellipse:
el - 矩形Eectang:
rec - 多段线Pline:
pl
图像编辑
- 移动Move:
M - 旋转Rotate:
Ro - 缩放Scale:
Sc - 拉伸Stretch:
S
注意:以交叉窗口(从右往左拉框,否则选不上)为对象
拉长Lengthen:
LEN复制Copy:
CP镜像Mirror:
MI阵列Array:
AR偏移Offset:
O修剪Trim:
Tr延伸Extend:
ExLTSCALE:修改全局比例因子格式刷:
ma圆中心线:
cm,矩形中心线:cl图形对齐:
al
特殊线条/符号
- 箭头绘制:用多段线命令,指定w参数。或者用引线命令(注意:如果要删除某一引线,则需把用该引线绘制的线都删了。
无法显示引线箭头?是因为箭头设置太大,而引线又不够长度,所以把箭头改小即可
- 旋转箭头绘制:同理多段线命令,A+W参数
- 波浪线绘制:拟合曲线
- 表面粗糙度:正三角形高5,基线再高5.5,长度12,加入属性然后存为块
- 公差代号:输入a/b,右键堆叠
- 极限偏差:输入a^b,右键堆叠
- 深度符号:文字修改为gdt,输入x
- 锥度符号:gdt输入y
- 斜度符号:gdt输入z
关于gdt的其他特殊字符,可以自己去字符映射表中查找
- 基准代号:引线,选择基准三角形,大小2.5,如果要注明的物体水平:2点;斜:3点。同时带上块,源块选择方框
文字设置为gdt,可以输出多种多样的符号
如果想用Unicode来输入特殊符号,需要在Unicode符号前加一个反斜杠\
画图注意事项
剖视图
- 国标规定,如果被局部剖的是一个回转体,允许使用中心线代替波浪线
- 半剖由点画线作为分割线,如果和轮廓重合,则不能使用半剖(因为会有歧义)
- 使用哪种剖视图:
- 全剖:表达内部复杂,外形简单的不对称机件
- 半剖:内外结构均需表达
- 局部剖:内外均需表达,投影不重叠,无公共对称面。局部剖比较自由灵活,无需画标注线
螺纹
螺纹的五个要素
| 要素 | 说明 |
|---|---|
| 牙型 | 沿轴线方向剖切,所得的轮廓形状,常见牙型有三角形(常用于连接螺丝钉和螺母)、梯形和锯齿形(用于传动)等 |
| 公称直径(大径) | 外螺纹:主视图中牙底线要画到倒角边上去。端视图就是左视图,端视图中不画倒角圆(因为更清晰,只体现了大径和小径),且细实线画3/4圆 内螺纹:剖面线画到粗实线处 |
| 线数 | 单线(沿一条螺旋线所形成的螺纹)和多线之分,多线的传动效率更高 |
| 螺距P和导程Ph | P是相邻两牙的轴向距离,Ph是同一螺旋线相邻两牙的距离 对于单线螺纹,Ph=P;对于多线螺纹,Ph=nP |
| 旋向 | 分左旋和右旋区分方法:把螺杆竖起来,比较牙的高度,左低右高为右旋,左高右低为左旋。通常都是右旋(所以拧螺丝顺时针) |
内外螺纹连接的条件:螺纹的五个要素必须完全相同。旋和部分按外螺纹画法,未旋和部分按各自画法
原则:手摸得到的地方画粗实线(牙顶),摸不到的地方画细实线(牙底)
螺纹的标记格式
螺纹代号-螺纹公差带代号-旋和长度代号-旋向代号
螺纹代号的内容及格式
螺纹牙型符号(M)公称直径✖螺距(如果螺纹是细牙的,则需标注螺距,粗牙省略不标,因为只有一种螺距 省略的目的是让标记更简洁一些)
螺纹公差带代号
包括中径与顶径两部分,中径公差带代号在前,如5H6H,若两者相同只标注一个(数字越小精度越高)若字母大写则对应为内螺纹,字母小写对应外螺纹
旋和长度代号
包括短(S)中(N)长(L),当旋和长度为N时,省略不标
旋向代号
右旋省略不标,左旋用LH表示
小技巧
- 想以参照点输入横纵坐标:输入from,指定参照点,
@10,10即可确定第一点 - 导出为PDF:并不是另存为,而是打印,(虚拟)打印机选择
Microsoft Print to PDF,打印样式表选择monochrome.ctb(否则线会变得五颜六色?O.o) - 连续参照:输入tt开启临时追踪,可在
工具-工具栏-AutoCAD-对象捕捉调出。关于对象捕捉的学习:捕捉设置里全部清除,选中只想学习的那个点 - 查看dwg版本的方式:
- autocad打开dwg文件时,命令行会有提示信息
- 用记事本打开dwg文件,前六个字符既是版本标识,由AC后跟一组数字组成,对应关系见官网
- 鼠标在dwg文件上方悬停,会显示创建工具:值
- 实际上这些快捷键都保存在
AutoCAD 2023\UserDataCache\zh-cn\Support\acad.pgp文件中,可以自己修改(更方便的方式:输入GUI打开自定义面板,里面可以查看并修改快捷键) - 画轴测图:
- 先画一个三视图,然后把整个三视图往边上复制,再连接(复制的命令用的很多)
- 画完删去多余的线,包括120辅助线
- 确认两条直线是否平行:角度标注命令,若平行则会无法标注